Electrical Interference - EMI/RFI
Immunity
The immunity of 1336 PLUS II drives to externally generated interfer ence is good.
Usually, no special precautions are required beyond the installation practices provided in this publication.
It is recommended that the coils of DC energized contactors associ ated with drives be suppressed with a diode or similar device,
since they can generate severe electrical transients.
Emission
Careful attention must be given to the arrangement of power and ground connections to the drive to avoid interference with nearby sen
sitive equipment. The cable to the motor carries switched voltages and should be routed well away from sensitive equipment.
The ground conductor of the motor cable should be connected to the drive ground (PE) terminal directly.
Connecting this ground conductor to a cabinet ground point or ground bus bar may cause high frequency current to circulate in the ground system of the enclosure.
The motor end of this ground conductor must be solidly connected to the motor case ground.
Shielded or armored cable may be used to guard against radiated emissions from the motor cable.
The shield or armor should be connected to the drive ground (PE) terminal and the motor ground as outlined above.
Common mode chokes at the drive output can help reduce commonmode noise on installations that do not use shielded cable.
Common mode chokes can also be used on analog or communication cables.
Refer to page 2–37 for further information.
An RFI filter can be used and in most situations provides an effective reduction of RFI emissions that may be conducted into the main supply lines.
If the installation combines a drive with sensitive devices or circuits,it is recommended that the lowest possible drive PWM carrier frequency be programmed.

RFI Filtering
1336 PLUS II drives can be installed with an RFI filter, which controls radio-frequency conducted emissions into the main supply lines and ground wiring.
If the cabling and installation recommendation precautions described in this manual are adhered to,
it is unlikely that interference problems will occur when the drive is used with conventional industrial elec
tronic circuits and systems. However, a filter may be required if there is a likelihood of sensitive devices or circuits being installed on the same AC supply.
Where it is essential that very low emission levels must be achieved or if conformity with standards is required the optional RFI filter must be used.
Refer to Appendix C and instructions included with the filter for installation and grounding information.
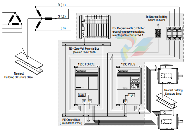
Grounding
Refer to the grounding diagram on page 2–13.
The drive must be connected to system ground at the power ground (PE) terminal provided on the power terminal block (TB1).
Ground impedance must conform to the requirements of national and local industrial safety regulations (NEC, VDE 0160, BSI, etc.) and should be inspected and tested at
appropriate and regular intervals.
In any cabinet, a single, low-impedance ground point or ground bus bar should be used.
All circuits should be grounded independently and directly.
The AC supply ground conductor should also be connected directly to this ground point or bus bar.

Sensitive Circuits
It is essential to define the paths through which the high frequency ground currents flow.
This will assure that sensitive circuits do not share a path with such current.
Control and signal conductors should not be run near or parallel to power conductors.
Motor Cable
The ground conductor of the motor cable (drive end) must be connected directly to the drive ground (PE) terminal, not to the enclosure bus bar.
Grounding directly to the drive (and filter, if installed) can provide a direct route for high frequency current returning from the motor frame and ground conductor.
At the motor end, the ground conductor should also be connected to the motor case ground.
If shielded or armored cables are used, the shield/armor should also be grounded at both ends as described above.

wechat/whatsapp:
+86-181-44100-983
Email: kongjiangauto@163.com
Copyright © 2009 - 2024 Cld , All Rights Reserved K-JIANG All rights reserved