OVERVIEW
The General Specifications (GS) describe the features, functions, system configuration examples, engineering
environment, software operating environment, hardware configuration, installation environment, and compliant
standards of a turbomachinery controller using the STARDOM FCN autonomous controller, and outline the functions
of turbomachinery I/O modules.
As for the FCN, refer to “FCN-RTU Low Power Autonomous Controller Hardware” (GS 34P02Q13-01E), “FCN
Autonomous Controller Hardware (FCN-500)” (GS 34P02Q14-01E), “FCN-RTU Low Power Autonomous Controller
Functions” (GS34P02Q02-01E) and “FCN Autonomous Controller Functions (FCN-500).” (GS34P02Q03-01E)

FEATURES
● FCN-based Turbomachinery Controller
The FCN autonomous controller can be applicable to a variety of processes from sequence control processes to
analog control processes. A wide variety of types of I/O modules are supported and a flexible system configuration
can be selected according to purpose.
Applying an FCN-based turbomachinery controller to the control of generator turbines or other turbomachinery such
as compressors also enables control of their ancillary facilities.
The CPU module, power supply, and communication can be made redundant for applications that require high
reliability.
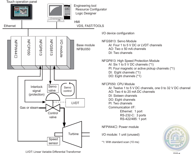
● Turbomachinery I/O Modules
Combined use of an FCN autonomous controller and turbomachinery I/O modules makes it possible to control and
protect turbomachinery such as turbines and compressors. With the STARDOM turbomachinery controller, a flexible
system can be constructed according to the scope of control and the installation space.
Of the turbomachinery control and protection functions, processing that requires high speed response is carried out by
the turbomachinery I/O modules. There are two types of turbomachinery I/O modules: a servo module that performs
high speed servo control in a cycle of 5 ms and a high speed protection module that performs a high speed protection
action in a fast scan (5 ms) or a standard scan (10 ms).
FUNCTIONS
The primary functions of a turbomachinery controller comprise of regulatory control of the turbomachinery speed,
load, and fluid pressure, and so on, and protection of the turbomachinery from anomalies. Control and monitoring of
ancillary facilities can also be added if necessary.
● Configuration Types
There are two types of configuration for the STARDOM turbomachinery controller.
Type 1: Configuration with a FCN-RTU
Type 2: Configuration with a FCN-500

wechat/whatsapp:
+86-181-44100-983
Email: kongjiangauto@163.com
Copyright © 2009 - 2024 Cld , All Rights Reserved K-JIANG All rights reserved